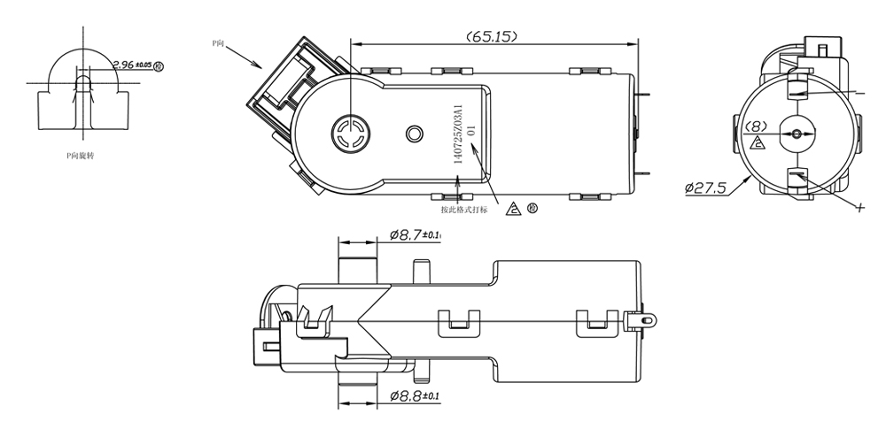
骨科清洗泵齿轮箱
输出方式:直线往返
电 压:12 V
减速比:7.93:1
空载转速:28000±10%
空载电流:0.55A
额定负载:按需定制
工作温度:按需定制
产品说明:骨科清洗泵齿轮箱为特定客户开发设计,只作为骨科清洗泵齿轮箱的方案展示。z6com人生就是搏机电可以根据客户的特殊需求做产品的设计、开发及生产,不单销售。
z6com人生就是搏有着多年的微型齿轮箱开发经验,可开发设计医疗设备驱动机构,用减速机,设计的骨科手术创面清洗泵减速箱,可调节骨科手术中骨科清洗泵冲洗流量、冲洗压力,可设置中低档压力,根据不同的创面及手术要求进行合理的临床选择。以上为特定客户开发设计,只作为方案展示,不做产品的销售。z6com人生就是搏机电可以根据客户的特殊需求做产品的设计、开发及生产。
z6com人生就是搏 — 微型驱动系统制造商
专注于研发、生产精密驱动系统,为客户提供智能驱动方案设计,零件的生产与组装的定制化服务














